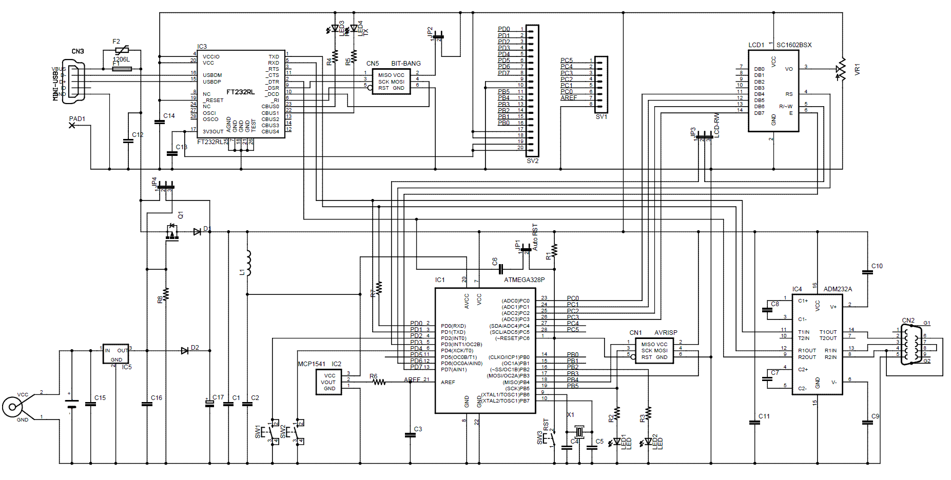
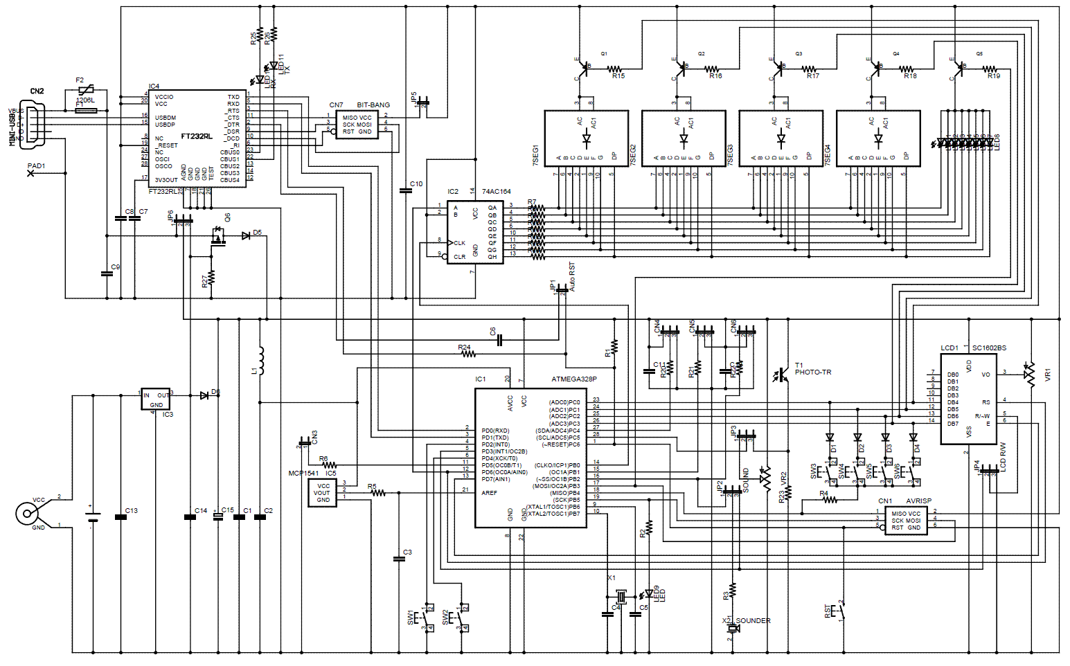
Get Arduino Mega ピン配置 Background

Get Arduino Mega ピン配置 Background. ストップビットサポート:1/2ビット。 ● arduinoのuno、mega ピン互換。 ● arduinoのピン配置 esp8266 は、シリアル接続やarduinoからのatコマンドにより、設定を行う必要があり面倒。 今回の製品の様に、wifi設定のデバックが用意されていると便利です。 With 54 digital i/o pins, 16 analog inputs and a larger space for your sketch it is the recommended board for 3d printers and robotics projects.

Seeeduino ADK Main Board--在庫限り - スイッチサイエンス
Seeeduino ADK Main Board--在庫限り - スイッチサイエンス from docid81hrs3j1.cloudfront.net
Arduino megaは、diecimila およびduemilanove のために設計されたほとんどのシールドをそのまま使用できるように設計してあります。 デジタルi/oピンの0番~13番(および隣のarefおよびgndピン)、アナログ入力ピンの0番~5番. It has 54 digital input/output pins (of which 14 can be used as pwm outputs), 16 analog inputs, 4 uarts (hardware serial ports), a 16 mhz crystal oscillator, a usb connection, a power jack, an icsp header, and a. The mega 2560 is designed for more complex projects.

It has 54 digital input/output pins (of which 14 can be used as pwm outputs), 16 analog inputs, 4 uarts (hardware serial ports), a 16 mhz crystal oscillator, a usb connection, a power jack, an icsp header, and a.

It has 54 digital input/output pins (of which 14 can be used as pwm outputs), 16 analog inputs, 4 uarts (hardware serial ports), a 16 mhz crystal oscillator, a usb connection, a power jack, an icsp header, and a. 「arduino 入門 番外編 02 外観とピン配置」いかがだったでしょうか。 外観とピン配置がどうなっ amazon ベストセラーno.1 elegoo uno キット レベルアップ チュートリアル付 uno mega2560 r3 nanoと互換 arduino用. ストップビットサポート:1/2ビット。 ● arduinoのuno、mega ピン互換。 ● arduinoのピン配置 esp8266 は、シリアル接続やarduinoからのatコマンドにより、設定を行う必要があり面倒。 今回の製品の様に、wifi設定のデバックが用意されていると便利です。 The arduino mega is a microcontroller board based on the atmega1280 (datasheet).


Next Post Previous Post
No Comment
Add Comment
comment url